contact
EMCIF
F 410 706 6105
SEM Cryotransfer system, Alto 2100
The ALTO 2100 system uses a high-stability SEM cold stage with a cooling circuit that is independent of the SEM vacuum and therefore compatible with low vacuum and environmental modes of operation.
Gatan Alto 2100 cryo system consists of:
- A 2 pot freezing station to produce nitrogen slush and loading pre-frozen samples
- A vacuum transfer device enables loading of frozen samples into cryo preparation chamber.
- A dedicated cryo-preparation chamber with an integral nitrogen dewar for contamination free transfer to the SEM with no degradation of SEM performance.
- A high stability, gas-cooled, cold stage module fitted to the SEM stage enabling vibration free SEM imaging under frozen condition
- A built in cold knife fracture device
What are the advantages of cryo-SEM over other preparation techniques?
- Cryo SEM is the solution for imaging hydrated, beam sensitive, volatile and low melting point specimens that are normaly difficult to image in traditional SEM
- A rapidly frozen cryo-SEM sample is as close as possible to its natural state.
- Chemical fixation can be avoided. No use of solvents, which can sometimes remove certain sample components
- No dehydration, therefore delicate structures are maintained without shrinkage.
- Fast freezing means chemical balance is well maintained for microanalysis
- A soft, volatile or liquid sample is stabilized under the electron beam.
- Materials which are normally soft at room temperature can be fractured under cryogenic conditions.
- Freeze fracture and controlled freeze etching allows optimum exposure of internal microstructure and reveal the dispersion of components and phases in a system such as an emulsion or suspension.
- Cryo-SEM sample preparation time is less than 10 minutes
Selected cryo SEM images
Spinal cord, fractured
Cryo SEM
|
Kidney, fractured
Cryo SEM
|
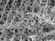
Fibrin hydrogel scaffolding material
Freeze fractured and etched
|
